Strukturelle fordele og egenskaber
1. Produktet er designet og fremstillet i henhold til national standard GB 12235, med rimelig struktur, pålidelig tætning, ydeevne og smuk form.
2. Klapventil, ventilsædets tætningsflade af jernbaseret aly eller satellit (elie) lavet af kobolt-baseret legeringssvejsning, slidbestandig, høj temperatur, korrosion, anti-slid ydeevne, lang levetid.
3. Stilken slukket og nitrogenbehandlingen med god modstandsdygtighed over for korrosion og ridsebestandighed.
4. Kan bruges med en række standardrørflanger og flangetætningsoverfladetyper for at imødekomme forskellige projektbehov og brugerkrav.
5. Sortiment af kropsmateriale, pakning og pakning kan være baseret på faktiske arbejdsforhold, eller brugeren anmoder om en rimelig mulighed, og kan anvendes med alle former for tryk, temperatur og medium forhold.
6. Forseglet med skrueforbindelse forsegler bagsædet eller kroppen lavet af rustfrit stål svejsning, tætning og pålidelig udskiftning af fling på en non-stop bekvem og effektiv måde påvirker ikke systemets drift.
Standarder og normer
| Design og fremstilling | Strukturlængde | Tryktemperaturklassificering | Forbindelsesflange | Test og inspektion |
| GB 12235 | GB 12221 | GB 12224 | JB/T 79/82~1994 GB 9113 HG 20592-20635 | JB/T 9092-1999 GB 13927 |
Hovedkomponentmateriale
| Navn | Materiale | ||||||||
| Krop/hjelm | CF8 | CF3 | CF8M | CF3M | WCB | LCB | WC6 | WC9 | C5 |
| Kile | CF8 | CF3 | CF8M | CF3M | WCB | LCB | WC6 | WC9 | C5 |
| Stængel | F304 | F304L | F316 | F316L | 2CR13 | F304 | F304 | F304 | F304 |
| Stængel Nut | Aluminium bronze | ||||||||
| Pakning | PTFE/Fleksibel grafit | Grafit | |||||||
| Pakning | PTFE/metal indpakningsmåtte | Grafit | |||||||
| Kirtel | CF8 | CF3 | CF8M | CF3M | WCB | LCB | WC6 | WC9 | C5 |
| Bolt | 35CrMoA | ||||||||
| Møtrik | Rustfrit stål | 45,35CrMoA | |||||||
| Håndhjul | Rustfrit stål Cast Steel | ||||||||
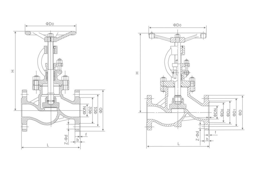
Hoved udvendig og tilslutningsdimension
| PN(MPa) | DN(mm) | Størrelse (mm) | Elektrisk enhed model | Vægtykkelse | |||||||||
| L | D | D1 | D2 | D6 | b-f | f2 | Z-Φd | H | D0 | ||||
| 1.6 | 10 | 130 | 90 | 60 | 40 | 16-2 | 4-φ14 | 198 | 120 | 6.4 | |||
| 15 | 130 | 95 | 65 | 45 | 16-2 | 4-φ14 | 218 | 120 | 6.4 | ||||
| 20 | 150 | 105 | 75 | 55 | 18-2 | 4-φ14 | 230 | 140 | 6.4 | ||||
| 25 | 160 | 115 | 85 | 65 | 18-2 | 4-φ14 | 240 | 160 | 6.4 | ||||
| 32 | 180 | 140 | 100 | 78 | 18-2 | 4-φ18 | 250 | 180 | 6.4 | ||||
| 40 | 200 | 150 | 110 | 85 | 18-3 | 4-φ18 | 262 | 200 | 6.4 | ||||
| 50 | 230 | 165 | 125 | 100 | 18-3 | 4-φ18 | 280 | 240 | DZW10A | 7.9 | |||
| 65 | 290 | 185 | 145 | 120 | 18-3 | 8-φ18 | 327 | 280 | DZW10A | 11 | |||
| 80 | 310 | 200 | 160 | 135 | 20-3 | 8-φ18 | 355 | 280 | DZW10A | 11.5 | |||
| 100 | 350 | 220 | 180 | 155 | 20-3 | 8-φ18 | 415 | 320 | DZW15A | 12.5 | |||
| 125 | 400 | 250 | 210 | 185 | 22-3 | 8-φ18 | 460 | 360 | DZW20A | 13 | |||
| 150 | 480 | 285 | 240 | 210 | 22-3 | 8-φ22 | 510 | 400 | DZW30A | 13.5 | |||
| 200 | 600 | 340 | 295 | 265 | 24-3 | 12-φ22 | 588 | 400 | DZW45A | 15 | |||
| 250 | 650 | 405 | 355 | 320 | 26-3 | 12-φ26 | 725 | 450 | DZW60A | 16 | |||
| 300 | 750 | 460 | 410 | 375 | 28-4 | 12-φ26 | 925 | 500 | DZW90 | 18 | |||
| 350 | 850 | 520 | 470 | 435 | 30-4 | 16-φ26 | 1030 | 600 | DZW120 | 19 | |||
| 400 | 950 | 580 | 525 | 485 | 32-4 | 16-φ30 | 1170 | 700 | DZW180 | 21 | |||
| 450 | 1050 | 640 | 585 | 545 | 40-4 | 20-φ30 | 1220 | 800 | DZW180 | 21.5 | |||
| 500 | 1150 | 715 | 650 | 608 | 44-4 | 20-φ33 | 1410 | 900 | DZW250 | 22 | |||
| 600 | 1350 | 840 | 770 | 718 | 54-5 | 20-φ36 | 1610 | 1000 | DZW350 | 25 | |||
OM Changshui
Changshui Technology Group Co., Ltd.is a valve integrating R&D, manufacturing, sales and service The manufacturer is currently one of the main suppliers of general-purpose valves in China. The main products are: gate valves, globe valves, butterfly valves, ball valves, check valves, regulating valves, pressure reducing valves, diaphragm valves, plug valves, plunger valves, drains Valves, hydraulic control valves, etc. Produkter af høj kvalitet er blevet rost og respekteret af brugere i forskellige industrier og er meget udbredt i byggeri, opvarmning, vandforsyning, petroleum, kemisk, elektrisk kraft og andre industrier! Selskabets formål er at bidrage til samfundet med produkter af høj kvalitet. 'Vores mål er at gøre brugernes tilfredshed'. Vores kvalitetspolitik er: "Mød brugernes behov og forventninger til produktkvalitet og spring fremad Førsteklasses kvalitetsstyringsniveau, fremstilling af førsteklasses produkter, skabelse af førsteklasses tjenester," CSHUValve Industry har Virksomheden er villig til at arbejde med nye og gamle venner, og kollegaer i samfundet, og brugere i ind- og udland til at tage hænderne sammen igen, og Floor, skabe ny herlighed!
Introduktion til sommerfugleventilkomponenter En sommerfugleventil er en alsidig og meget brugt ventiltype i forskellige industrier, kendt for s...
READ MOREAlmindelige portventilproblemer Portventiler er væsentlige komponenter i forskellige industri- og boligsystemer, hvilket giver en pålidelig måde...
READ MOREForstå kontraventiler En kontraventil er en mekanisk enhed, der tillader væske eller gas at strømme kun i én retning. Dens primære funktion er a...
READ MORE1. Forstå ventiler og sæder Ventiler og sæder er væsentlige komponenter til at kontrollere strømmen af væsker eller gasser i rørledninger, motor...
READ MORE1. Hvad betyder 304 og 316L rustfri stålventiler Rustfri stålventiler er almindeligvis lavet af to austenitiske kvaliteter: 304 (ofte angivet so...
READ MORE