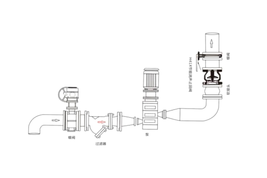
Lyddæmperkontraventiler er hovedsageligt velegnede til vandforsynings- og afløbssystemer i højhuse, brandrørsvandforsyningssystemer osv. Denne lyddæmperkontraventil kan effektivt forhindre mediet i at strømme tilbage og forårsage ødelæggende vandslag, og beskytte vandpumpen og andet rørledningsudstyr. De vigtigste egenskaber for dens ventil er som følger: 1. Denne ventil kan installeres lodret eller vandret. Ventilen kan løftes og sænkes fleksibelt, og den fungerer problemfrit, har lav støj, er sikker og har sjældent fejl. 2. Rimelig struktur og god tætningsevne. 3. Slidbestandig og lang levetid.
中文简体




